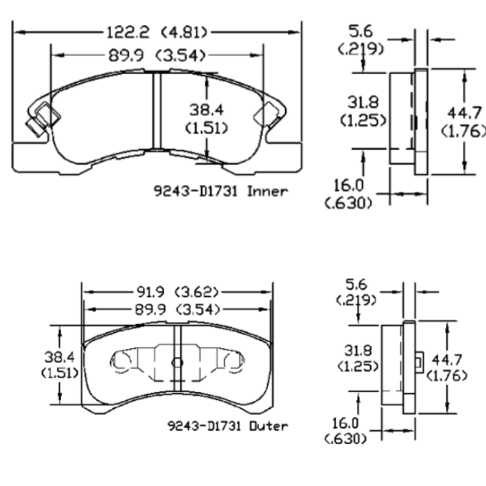
D1731

PART NUMBER
FMSI NUMBER
WVA / OTHER REF
AXLE
VEHICLE APPLICATION
39932036
D1731
R6100
FRONT
DAIHATSU MIRA V